语音播报
心肌梗死是严重威胁人类健康的心脏疾病。据统计,我国每年新发心肌梗死至少250万人,每年死于心肌梗死及其并发症的人数已超过100多万。尽管及时药物治疗、经皮冠状动脉介入治疗、冠状动脉旁路移植术等治疗方法可以挽救部分心梗患者生命,但是对于严重的陈旧性心肌损伤,目前仍缺乏有效的治疗方法。
9月10日,《美国医学会杂志》子刊JAMA Network Open杂志在线发表了相关研究,报道了星天地娱乐城官网 遗传与发育生物学研究所戴建武再生医学团队与南京鼓楼医院教授王东进团队合作的重要研究成果。作为国际上第一个可注射支架材料结合干细胞移植治疗缺血性心脏病的临床研究,科研人员证明了可注射材料联合干细胞用于心脏病治疗的临床安全性及可行性,并显示出良好应用前景,为后续大样本临床试验奠定了基础。这也是戴建武团队在探索心肌再生方面取得的又一原创成果。
可注射胶原支架材料结合干细胞移植治疗缺血性心脏病的临床研究自2016年3月起开始招募陈旧性心梗患者。通过44例入组受试者1年期的随访,结果表明细胞及材料移植安全性良好,胶原材料联合干细胞移植在一年后可显著减小患者心脏梗死体积,并且病人的生活质量及心脏评级改善,对于术前病情较重(心脏射血分数小于40%)的患者效果尤为明显。
干细胞具有自我更新和分化潜能以及强大的营养和分泌功能,干细胞移植是心肌再生领域的研究热点。目前干细胞移植治疗心肌梗死已开展大量临床研究,Clinical Trail网站注册的相关研究就有几百项,但其治疗效果仍存在争议。一些研究表明干细胞移植后容易扩散,很难在损伤部位定植存活,影响治疗效果。如何促进干细胞在心肌损伤部位的定植是干细胞治疗需要解决的关键问题。
戴建武再生医学研究团队长期从事再生医学功能生物材料的研究,经过多年研究,成功研发了一种具有良好生物相容性的可用于心肌内注射的胶原支架,可为细胞提供稳定的胞外基质支持,注射到损伤心肌组织后可有效限制细胞从损伤部位扩散,帮助重塑心肌再生修复微环境。该材料已经完成产品标准化研究,并获得中国食品药品检定研究院等权威机构的产品技术要求认证、生物安全性检测、免疫评价、病毒灭活检测等报告,达到临床植入性医疗器械质量标准。
在过去10余年中,戴建武团队与王东进团队合作,开展临床前大动物实验,检验材料与细胞移植的安全性及有效性。在冠脉结扎的猪陈旧性心梗模型中,分别注射生理盐水、脐带间充质干细胞以及混合脐带间充质干细胞的可注射胶原材料,在注射后一年之内的多个时间点进行血液生化分析、心脏超声及心脏核磁分析、组织病理学检查,发现材料及干细胞移植安全性良好,与对照组相比,材料联合干细胞移植能促进心梗组织的血管新生,抑制猪心脏梗死体积的扩大,促进心脏功能恢复。该研究成果已发表于Sci China Life Science杂志。
在动物实验获得明确的安全性及有效性评估的基础上,团队进一步制定临床试验方案,完成伦理审查及国际临床研究注册,在中科院“干细胞与再生医学研究”战略性先导科技专项及重点部署项目“组织器官再生与损伤修复”的资助下,开展可注射胶原材料联合脐带间充质干细胞治疗缺血性心脏病的随机对照临床研究。
该临床研究的基本入组标准为心功能小于45%的需要进行搭桥手术的陈旧性心梗患者。复合入组标准的受试者随机分为搭桥手术组、搭桥手术同时注射间充质干细胞组、搭桥手术同时注射间充质干细胞与胶原材料组。首例病人于2016年3月1日入组。经过三年多的努力,该研究共入组50例患者,完成了44例病人术后1年随访,结果表明细胞及材料移植安全性良好,在恶性事件(死亡、肿瘤、持续性心动过速、心衰再入院、心律不齐等)发生率、生化指标、免疫指标等方面与对照组无明显差别。相比于对照组,胶原材料联合干细胞移植在一年后可显著减小患者心脏梗死体积,并且病人的生活质量及心脏评级改善。对于术前心脏射血分数小于40%的患者效果尤为明显:在搭桥及干细胞和胶原材料联合注射后一年时,心脏射血分数平均提升9.35%,而对照组分别提升6.59%(搭桥手术联合干细胞移植组)和3.62%(单独搭桥手术组)。

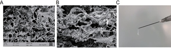
可注射胶原材料。A为材料电镜图片,B为材料与间充质干细胞混合后电镜图片,C为材料从27G针头挤出照片

胶原材料与间充质干细胞联合注射组病人代表性核磁牛眼图。A图为心脏透壁指数,从蓝色到红色梗死程度逐渐增加,B图红色为超过50%梗死的组织
© 1996 - 星天地-星天地娱乐城官网 版权所有
京ICP备05002857号-1
京公网安备110402500047号 网站标识码bm48000002
地址:北京市西城区三里河路52号 邮编:100864
电话: 86 10 68597114(总机) 86 10 68597289(总值班室)
© 1996 - 星天地-星天地娱乐城官网 版权所有
京ICP备05002857号-1
京公网安备110402500047号 网站标识码bm48000002
地址:北京市西城区三里河路52号 邮编:100864
电话: 86 10 68597114(总机) 86 10 68597289(总值班室)
© 1996 - 星天地-星天地娱乐城官网 版权所有
京ICP备05002857号-1
京公网安备110402500047号
网站标识码bm48000002
地址:北京市西城区三里河路52号 邮编:100864
电话:86 10 68597114(总机)
86 10 68597289(总值班室)