海上风能具有资源丰富、发电利用小时高、适宜大规模开发等优点,目前已成为欧美各发达国家风电发展的重点。由于我国海上风电场更加靠近用电负荷区,因此大力发展海上风电是必然的趋势。海上风电项目除了高昂的初期投资成本外,后期的运维成本也由于其特殊的地理环境而变得更加关键。因此,对于海上风电项目,我们最好做到全寿命周期内“零维护”。为达到这一目标,载荷控制是其中的关键。目前,风力机载荷控制主要由传统变桨装置来实现,但是随着风力机尺寸逐渐变大,变桨装置由于惯性大,反应滞后等缺点从而无法应对大气中湍流所引起的高频载荷。而最近诞生的“智能叶片控制”采用局部表面气动控制技术(见图1)能很好地满足这种随机性,快速性的降载需求,已成为业界研究热点。
日前,星天地娱乐城官网
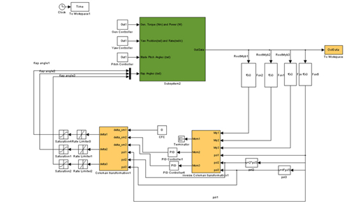
工程热物理研究所科研人员率先以Upwind/NREL5MW为参考风力机,通过集成和修改FAST/Aerodyn气动、结构模块,在Matlab/Simulink环境中搭建PID控制器,自主开发了基于柔性尾缘襟翼的“智能叶片”整机气动伺服弹性仿真平台(见图2),并在其基础上讨论了基于该平台下IEC多种湍流风况下的降载效果。结果表明,该智能叶片控制系统能够有效地降低疲劳载荷。
上述研究得到了国家自然科学基金优秀科学基金项目(51222606)的支持,研究成果已发表在Journal of energy期刊上。

图1 智能叶片控制结构简图

图2 仿真平台控制系统简图