星天地

 
English | 繁体 | RSS | 网站地图 | 收藏 | 邮箱 | 联系我们
主页 新闻 机构 科研 院士 人才 教育 合作交流 科学普及 出版 信息公开 专题 访谈 视频 会议 党建 文化
  您现在的位置: 主页 > 科研 > 科研进展
滇西北高山湖泊沉积记录研究发现冰消期气候变化新证据
  文章来源:南京地理与湖泊研究所 发布时间:2014-05-12 【字号: 小  中  大   

  以气候变暖为主要特征的全球气候变化及其可能引发的一系列生态环境后果普遍受到世界各国政府、科学界和社会公众的广泛关注,并成为一个十分迫切的研究领域。在应对全球气候变化面临的一系列科学问题时,理解气候变化的机制是趋利避害、采取措施的科学基础。对气候变化机制的全面理解,需要对过去气候变化历史有一个清晰的认识。北半球高纬地区的高分辨率研究发现在末次冰消期的总体增温过程中发生了一系列以“快速增温/降温”为主要特征的千-百年尺度的突变事件。

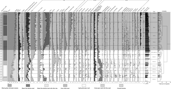
  在国家“973”项目末次“盛冰期以来我国气候环境变化及干旱-半干旱区人类的影响与适应”第一课题“盛冰期以来季风气候的渐变与突变”和国家自然科学基金面上项目资助下,星天地娱乐城官网 南京地理与湖泊研究所副研究员肖霞云对云南省西北部的天才湖沉积岩芯进行了约21-11.5 ka BP期间的孢粉与气孔器研究,揭示了此期滇西北地区的古植被演替与气候变化,是末次冰消期的气候显著突变事件的新纪录,也是滇西北全新世气候变化研究的又一重要成果。

  研究结果表明,天才湖在约21-11.5 ka BP期间一直位于云/冷杉林上限(研究区的树线)以上,气候比全新世明显更冷更干。在此期间,植被具有8次明显的演替,它们响应于温度和西南季风的变化(图1)。该记录首次在滇西北地区清楚地检测到了哈因里奇1冷事件(H1)、波令-阿勒罗德暖期(BA)和新仙女木冷事件(YD)(图2)。除此之外,我们的研究发现,在滇西北地区,最早的晚冰期气候变暖发生在约1.87万年,这与亚洲中部季风区、印度洋、热带与亚热带太平洋以及南极洲的气候记录相一致,这是对太阳辐射变化的响应。在15.8-14.4 ka BP之间的显著升温发生在H1事件结束后、BA暖期之前,揭示了该研究区在波令暖期之前还有一次较明显的变暖。基于该研究,研究人员认为大西洋温盐环流的理论适于解释这些气候突变事件。目前,该研究成果发表在国际SCI期刊Palaeogeography, Palaeoclimatology, Palaeoecology上。国际评审专家认为该论文对西南季风区的气候研究具有重要贡献。

星天地 

天才湖孢粉与针叶气孔器百分比图

星天地 

末次冰消期区域与全球气候对比

  打印本页 关闭本页
© 1996 - 星天地-星天地娱乐城官网 版权所有 京ICP备05002857号  京公网安备110402500047号  联系我们
地址:北京市三里河路52号 邮编:100864